蝶閥


電動對夾全襯氟蝶閥
產品品牌:軼博羅
產品型號:D971F
公稱通徑:DN50~DN500
公稱壓力:1.6MPa
材質:球墨鑄鐵、鑄鋼
連接方式:對夾式、凸耳對夾式
適用溫度:-30~+150℃
適用介質:強酸、強堿、強氧化劑等
電動執行器:普通開關型、無源觸點開關型、調節型輸入輸出4-20mA等等
用途:用于強酸、強堿的切斷與調節
電動對夾全襯氟蝶閥產品概述
電動襯氟蝶閥 蝶閥閥座與閥板是由全PTFE制作而成,既具有普通蝶閥的機械強度,又能發揮PTFE或PA的耐強化學介質特性。采用的是雙段軸,上下分段的技術。不適用于有顆粒和溫度偏高的工藝介質中。
電動對夾全襯氟蝶閥特征
1、體積小、重量輕、操作輕巧、便于安裝、維修。
2、密封性能優良可靠、零泄漏,使用壽命長。
3、流量特性趨于直線,調節性能最優。
4、結構簡單,開關迅速,90°旋轉啟閉。
5、可代替閘閥、截止閥、旋塞閥、膠管閥及隔膜閥等各種閥的使用。
6、可根據用戶要求配置氣動、電動裝置,滿足遙控和程控的需要。
7、更換零件襯里材質可適用于各種介質。
電動對夾全襯氟蝶閥襯里材料
聚全氟乙丙烯 FEP F46
四氟乙烯-乙烯 E-TFE F40
可溶性四氟 PFA FA
聚四氟乙烯 PTFE F4
聚偏二氟乙烯 PVDF F2
改性聚乙烯 FRPE PO
電動對夾全襯氟蝶閥設計標準
閥門結構長度:ISO 5752—1988
閥門法蘭連接:ISO 7005.2
閥門 檢驗:ISO/DIN 5208—1987
驅動裝置連接: ISO/DIN 5211—1982
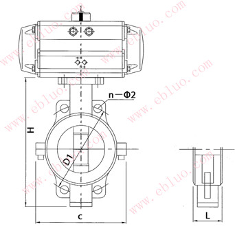
| 通徑(mm) | 英寸 | 尺寸(mm) | |||||
| L | H | C | D1 | n-¢m | kg | ||
| 50 | 2 | 42 | 212 | 130 | 120 | 4-22 | 3.2 |
| 65 | 2 1/2 | 45 | 230 | 150 | 136.2 | 4-22 | 5.8 |
| 80 | 3 | 45.5 | 233 | 164 | 160 | 4-22 | 6.5 |
| 100 | 4 | 52 | 270 | 188 | 185 | 4-24 | 11 |
| 125 | 5 | 54 | 298 | 220 | 215 | 4-24 | 13 |
| 150 | 6 | 56 | 337 | 252 | 238 | 4-26 | 16 |
| 200 | 8 | 61 | 407 | 305 | 295 | 4-26 | 27 |
| 250 | 10 | 65.3 | 481 | 370 | 357 | 4-29 | 35 |
| 300 | 12 | 77 | 555 | 430 | 407 | 4-29 | 51 |
| 350 | 14 | 77 | 610 | 470 | 467 | 4-30 | 76 |
| 400 | 16 | 86.5 | 715 | 565 | 515 | 4-28 | 97 |
| 450 | 18 | 105.5 | 778 | 620 | 565 | 4-28 | 125 |
| 500 | 20 | 131.8 | 870 | 695 | 620 | 4-28 | 186 |
案例展示更多>>

0551-65579181
客戶案例
©2015-2019 合肥軼博羅工控設備有限公司 皖ICP備13007160號-2 技術支持:安徽睿成網絡
友情鏈接: 安徽工作服 油浴鍋生產廠家 冷凍濃縮儀 酒石酸氫鉀生產廠家 噴漆廠房廢氣處理設備 噴霧冷卻塔風機 彩色溫控儀 合肥情感咨詢 瑞士魚牌VALLORBE銼刀 鬼屋制作安裝 江蘇電動叉車